Комплект электромеханического шлагбаума FAAC B614/2.5 для проезда до 2 метров
FAAC B614/2,5 KIT - это комплект состоящий из тумбы высокоинтенсивного электромеханического шлагбаума B614 и дополнительных аксессуаров, предназначенный для левостороннего или правостороннего размещения в жилых, общественных и производственных зонах с интенсивностью использования - 100%. Служит для открывания и закрывания дорожного проезда шириной до 2 метров. Внутри тумбы шлагбаума расположены: эффективный мотор-редуктор с питанием 24В и встроенным энкодером, узел крепления стрелы, механические упоры, фиксатор балансировочной пружины. В случае отключения электроэнергии, механизм разблокировки стрелы шлагбаума с треугольным ключом позволит поднять или опустить ее вручную. Шлагбаум адаптирован для работы в условиях континентального климата России и обладает широким температурным диапазоном эксплуатации от -20°C до +55°C.
В тумбе шлагбаума FAAC B614 установлен блок управления с установленной платой управления E614. Плата поддерживает работу в широком диапазоне входного напряжения и оснащена ЖК-дисплеем для удобства программирования основных и дополнительных функций работы автоматики (режимы работы, скорость открытия/закрытия, функция ведущий/ведомый, время работы и паузы, регулировка мощности электродвигателя и чувствительности энкодера, функция автоматического закрытия, светодиодная подсветка стрелы, режим работы в случае отсутствия электроэнергии, режим работы предохранительных устройств, движение только после проверки устройств безопасности и другие).
Плата управления снабжена встроенным разъемом для подключения радиоприемников XF с памятью на 250 пультов, способных использовать пульты с кодировками SLH или RC.
Особенности:
- Высокоинтенсивный и скоростной. 24-х вольтовый мотор обеспечивает интенсивную работу шлагбаума. Скорость открытия менее 2 с (80° со стрелой длиной 3 м).
- Современный дизайн. Тумба имеет V-образный стальной корпус, окрашенный полиэстерной краской.
- Система обнаружения препятствия. 24-х вольтовый мотор со встроенным энкодером обеспечивает полный контроль движения стрелы и реверс при обнаружении препятствия.
- Надёжная и высокая производительность. Эксклюзивное использование высококачественных компонентов и материалов делает B614 прочным и надёжным шлагбаумом.
- Резервное питание. Установка батареи резервного питания ХВАТ 24 позволит управлять шлагбаумом даже при отключении электропитания (опционально).
- Вынесенная и интуитивная плата. Плата управления вынесена в верхнюю часть тумбы и закрыта пластиковой окрашенной крышкой. Программирование при помощи дисплея. Широкий выбор логик работы и различных параметров. Встроенная система кодировки OMNIDEC. Фотоэлементы и аксессуары с технологией BUS 2Easy подключаются используя всего 2 провода.
- Встраиваемая светофорная лампа. Дополнительно возможно установить лампу светофорного регулирования. Режим работы лампы настраивается через плату управления.
- Аксессуары. Для данной модели шлагбаума доступны следующие аксессуары: подсветка стрелы; светодиодная лампа светофорного регулирования; шарнирный механизм; подвесная или стационарная опора.
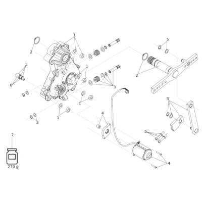
Запчасти для автоматического электромеханического шлагбаума FAAC B614/2.5:

- 63001040 корпус
- 63001042 механизм разблокировки для B614
- 490183 монтажная пластина для шлагбаумов FAAC B614
- 63001034 плата управления E614 для шлагбаума FAAC B614
- 63001043 пластиковое крепление для платы E614
- 63001039 крышка боковая (дверца) корпуса шлагбаума FAAC B614
- 63001041 комплект уплотнений для дрерцы и крышки шлагбаума FAAC B614
- 63001044 замок дверцы шлагбаума FAAC B614
- 63001033 комплект крепления пружины шлагбаума FAAC B614
- 721209 балансировочная пружина шлагбаума FAAC B614
- 490186 кронштейн для крепления балансировочных пружин шлагбаума FAAC B614
- 63001038 крышка верхняя шлагбаума FAAC B614
- 713002 трехгранный ключ разблокировки шлагбаумов FAAC
- 63003421 ключ для дверцы шлагбаумов FAAC

- 63001028 комплект редуктора шлагбаума FAAC B614
- 63001031 вал и банансировочный рычаг шлагбаума FAAC B614
- 63001030 стопорная группа
- 63001029 электродвигатель (электромотор) шлагбаума FAAC B614
- 63001032 второй рычаг с втулками
- 63001042 механизм разблокировки для шлагбаума FAAC B614
- 714037 смазка специальная
- 104614 шлагбаум электромеханический В614, 24 В - 1 шт.
- Плата управления E614 - 1 шт.
- 428088 стрела прямоугольная с демпфером и светоотражающими наклейками, 25х90х2315 мм - 1 шт.
- 428342 крепление для прямоугольной стрелы 25х90 мм - 1 шт.
- 721209 пружина балансировочная 6 мм - 1 шт.
- 490183 пластина монтажная - 1 шт.
- Инструкция - 1 шт.
- перекрытие проезжей части
Отзывы не найдены